根據需要,最?型號可到10mm。
沒有復雜的配合,占?空間?。
兩錐?間的?鎖功能和摩擦?強,?須擔?振動使得脹緊套松動。
?動定?,不需要額外附加設備來確保軸和輪轂的同軸度,擰緊螺?即可安裝完成;反向旋轉螺?使螺?松開,內外環(huán)即可分離,拆卸也很容易。
Φ5-Φ75(mm)
額定傳動扭矩:0.012-25kN·m
適?軸公差:h8
適?輪轂公差:H8
執(zhí)行標準:JB/T 7934
對應國際型號:Z21
安全載荷、輪轂、設計保證系數、使?環(huán)境、軸的軸向載荷、傳遞轉矩、所需軸直徑。

點擊圖片放大
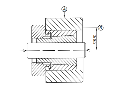
■產品本體結構詳見如上圖
上圖為ML-C型脹緊套的結構圖。
可根據客戶的需求,定制指定參數的產品,詳細請咨詢隆德技術人員。
■尺寸表
|
脹緊套型號 |
基本尺寸 |
額定負荷 |
對轂 壓力 |
對軸 壓力 |
螺釘擰 緊力矩 |
參考 重量 |
||||||
|
L1 |
L2 |
A1 |
A2 |
B1 |
B2 |
轉矩 |
軸向力 |
|||||
|
Φd×ΦD |
Mt |
Ft |
Ph |
Ps |
Ma |
|||||||
|
mm |
mm |
mm |
mm |
mm |
mm |
mm |
kN |
kN·m |
Mpa |
Mpa |
N·m |
kg |
|
PL15x38ML-C |
38.0 |
19.0 |
32 |
38.1 |
8.0 |
8.0 |
0.18 |
13.38 |
76 |
314 |
196 |
0.23 |
|
PL16x38ML-C |
38.0 |
19.0 |
32 |
38.1 |
8.0 |
8.0 |
0.19 |
14.70 |
76 |
297 |
196 |
0.22 |
|
PL17x38ML-C |
38.0 |
19.0 |
32 |
38.1 |
8.0 |
8.0 |
0.20 |
16.66 |
76 |
295 |
196 |
0.21 |
|
PL18x38ML-C |
38.0 |
19.0 |
32 |
38.1 |
8.0 |
8.0 |
0.21 |
17.98 |
76 |
270 |
196 |
0.20 |
|
PL19x38ML-C |
38.0 |
19.0 |
32 |
38.1 |
8.0 |
8.0 |
0.22 |
19.60 |
76 |
245 |
196 |
0.19 |
|
PL20x45ML-C |
47.5 |
21.5 |
38 |
44.5 |
11.0 |
9.5 |
0.25 |
20.97 |
65 |
285 |
240 |
0.31 |
|
PL22-45ML-C |
47.5 |
21.5 |
38 |
44.5 |
11.0 |
9.5 |
0.27 |
23.97 |
65 |
255 |
240 |
0.30 |
|
PL24x45ML-C |
47.5 |
21.5 |
38 |
44.5 |
11.0 |
9.5 |
0.30 |
26.97 |
65 |
235 |
240 |
0.29 |
|
PL25x45ML-C |
47.5 |
21.5 |
38 |
44.5 |
11.0 |
9.5 |
0.31 |
28.13 |
65 |
295 |
240 |
0.28 |
|
PL28x51ML-C |
57.0 |
25.5 |
46 |
50.8 |
13.0 |
14.5 |
0.34 |
31.96 |
54 |
270 |
275 |
0.45 |
|
PL30x51ML-C |
57.0 |
25.5 |
46 |
50.8 |
13.0 |
14.5 |
0.36 |
34.69 |
54 |
250 |
275 |
0.43 |
|
PL32x51ML-C |
57.0 |
25.5 |
46 |
50.8 |
13.0 |
14.5 |
0.38 |
37.43 |
54 |
235 |
275 |
0.41 |
|
PL34x60.5ML-C |
70.0 |
38.0 |
50 |
60.3 |
14.0 |
13.0 |
0.42 |
40.18 |
45 |
295 |
330 |
0.77 |
|
PL35x60.5ML-C |
70.0 |
38.0 |
50 |
60.3 |
14.0 |
13.0 |
0.43 |
41.55 |
45 |
290 |
330 |
0.75 |
|
PL36x60.5ML-C |
70.0 |
38.0 |
50 |
60.3 |
14.0 |
13.0 |
0.44 |
42.92 |
45 |
270 |
330 |
0.74 |
|
PL38x60.5ML-C |
70.0 |
38.0 |
50 |
60.3 |
14.0 |
13.0 |
0.47 |
45.67 |
45 |
260 |
330 |
0.72 |
|
PL40x67ML-C |
79.5 |
43.0 |
60 |
66.7 |
14.5 |
17.5 |
0.57 |
48.71 |
38 |
270 |
420 |
1.05 |
|
PL42x67ML-C |
79.5 |
43.0 |
60 |
66.7 |
14.5 |
17.5 |
0.59 |
52.23 |
38 |
245 |
420 |
1.02 |
|
PL45x73ML-C |
90.5 |
51.0 |
65 |
73.0 |
16.0 |
19.0 |
0.80 |
56.35 |
29 |
260 |
585 |
1.36 |
|
PL48x73ML-C |
90.5 |
51.0 |
65 |
73.0 |
16.0 |
19.0 |
0.85 |
61.64 |
29 |
250 |
585 |
1.33 |
|
PL50x73ML-C |
90.5 |
51.0 |
65 |
73.0 |
16.0 |
19.0 |
0.88 |
64.38 |
29 |
280 |
585 |
1.31 |
|
PL55x80ML-C |
95.3 |
54.0 |
70 |
79.4 |
16.0 |
21.0 |
1.04 |
66.44 |
24 |
260 |
680 |
2.13 |
|
PL60x86ML-C |
98.4 |
57.2 |
75 |
85.7 |
17.5 |
19.0 |
1.06 |
67.32 |
20 |
250 |
680 |
2.27 |
|
PL65x92ML-C |
103.2 |
60.3 |
82 |
92.1 |
17.5 |
21.0 |
1.33 |
68.11 |
17 |
260 |
880 |
2.68 |
|
PL70x92ML-C |
103.2 |
60.3 |
82 |
92.1 |
17.5 |
21.0 |
1.45 |
69.00 |
17 |
250 |
880 |
2.58 |
|
PL75x100ML-C |
108.0 |
64.3 |
90 |
98.4 |
19.0 |
21.0 |
1.61 |
70.10 |
16 |
260 |
980 |
2.72 |
|
PL |
30 | × | 50 | ML-C |
|
(1) |
(2) |
|
(3) |
(4) |
(1)動力鎖(脹緊套)
(2)軸徑(mm)
(3)外徑(mm)
(4)ML-C型脹緊套
安裝脹緊聯(lián)結套
拆卸時,將全部壓緊螺釘松開并取下,把拆卸螺釘擰?相應的拆卸螺紋孔內??擰緊,即可將軸和輪轂上的脹緊聯(lián)結套松動并拆卸下來。
您在努力掌握如何開始自動化嗎?
如果您正確實現以下目標,與我們的專家進行深入的對話可以讓您少走很多彎路:
?提高生產力
?改進工藝和產品質量
?提高競爭力
?提高靈活性,滿足客戶多樣化需求
與我們的專家進行一次一對一的交流,我們會幫助您利用協(xié)作機器人實現自動化。
|
|
|
|
|
|
隱私協(xié)議
|
|
|
|
本網站由廣州隆德鏈條重機有限公司(以下簡稱“隆德鏈條”)創(chuàng)設。任何人士使用本網站前,請仔細閱讀下列條款: |
|
|
|
本網站的資料、信息及其他內容由隆德鏈條提供,任何人進入本網站閱讀任何內容、從本網站下載任何材料或使用本網站提供的資料,即表示同意遵守這些條款。這些條款構成隆德鏈條與您之間的協(xié)議。若不同意遵守這些條款,切勿使用本網站。隆德鏈條保留未經通知隨時更新下列條款的權利,這些更新將同樣也約束您。 |
|
|
|
|
|
|
|
權利聲明
|
|
信息提交成功,謝謝!